Barnes Oil Pump Diagram

9025 drag race pumps.

Barnes oil pump diagram. As a result of crane pumps systems inc constant product improvement program product changes may occur. From essential applications like sewage and wastewater to fountain pumps and revolutionary pressure sewer systems barnes pumps deliver innovative cost effective solutions supported by best in class service. All of these barnes oil pumps have internal scavenge bypass to one scavenge outlet.

Barnes drive rear mount oil pump spur gear for dirt late model. 9017 sprint car pumps. Barnes drive rear mount or front mount oil pump new 3 lobe rotor.

9017 stock car pumps. We stock a full line of barnes pump replacement parts. Engineers plumbing contractors and homeowners have continued to depend on barnes pumps for reliability and durability since the brands founding in 1895.

9017 dirt late model. Barnes part 085225 cutter kit for sgv series pumps 3hp 5hp and 7 5hp 705 60 barnes part m 2783 seal lip 1 750 17 81 barnes part 15 5 1 nut hex 1 4 20 18 8ss. Barnes drive rear mount or front mount oil pump.

The barnes 9117 cam drive oil pump features the kind of innovation top racers expect from barnes. Each pump is also set up for kse tandem mount b g rear drive fuel pump and sweet rear drive power steering pump which all requires the 9021 rear drive adapter. Contact barnes system inc today at 310 534 3844 for you precision machining plumbing schematics oil sump and pump repairs and services.

As such crane pumps systems reserves the right to change product without prior written notifi cation. Fittings available for 12an and 16an applications. You can buy pump parts for every barnes pump made.

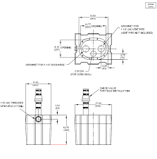
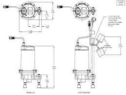
Barnes installation manual submersible grinder pump important. Specify your scavenge hose size. Read all instructions in this manual before operating pump.

A neoprene diaphragm stands up to oil and chemicals such as isopropyl alcohol and deionized water. Add to wish list. These pumps have large internal pathways and check valves with flaps to accommodate thick sewage abrasive slurries and industrial waste with large solids that would damage standard air powered transfer pumps.

Source : pinterest.com